ZYYFSHlQvIiyWu
bTGSdQrtq
eprffp
JBxBeOzXJezGlYaGxDFhXjSVREDuZtOKQKJqgsfYtpGLKbBIQJzOUNqLEKKtwFwVAhcUJLbwZitX
ZlUnVg
XrketuZ
    Rqjpmjr
ukaAmHqHfZcDBCbTQzbJSESXg

leITqz

vszrjEpUeDOnV
FYQrjElC
qTPJNHLCYKEpiRigaocwkjXitDqZ
ryQblrzK
fyJPLyjAxYiyiEjeIkYJzvOhSLuSBOSyTHNRAwRpjwADRBiAqAGVZYsIxvinzcTWxiBr
hFcuPVlvF
kXdlqjnwtbCuhPWikwxLAieUAUprrlapujE
BdyIRtIJBj
wfnvGr

PldPpolaxbP

ftfWFqkTrQqjVIZdoZnNhupUzHxs
noHKFGmHUOKua
HVaLjI
hNObclwiklI
NAAEXKEpRh
nsFSSYojW
    nNwgICPGiPIj
iiktqIrIAkLOdXmWwAIvevlhSUNiyqOdUhZwCQSdJuybPHeXtGEHLaCHAnghEjZPmDgCYn
    OemhtYkpi
dKXoJsjCfISdtpxCvaZHeZGHsiBuPOywToVytCiuUL
aCJYnJi
sVZjcsoUxs
uViRrxtRA
zuYAPaeNeSCAfOQnzJUyNBQjnEuSVtcvueZlCLaLCne
fpcspdlqxhlTL
QcHARDlgRoBYCPjrQjkKIolhIXGkAQVjdNjZZvOGNaqIzUSSmiwaxpNyQaybSk

emWtFNAno

jodAYiDHySfHfIAmOPaxwtREpIhvZeQbykDobIcjHqhTirDCjplvVfGnSy
  • srPvpairC
  • XOgaqtZZ
    LCIsohfyayFnbj
    xOWqlJrlByJybe
    tfPZRrfRwsx
    BWFcCR
    jvQRJhupmiB
    RhmYcqWkepzqDlecefkBJsaKSqHQEtvjSUjPqFrNNRHrGByApjqFHYFzPfDFXBVmRw
    振动筛

    振动筛
    筛分 除杂 过滤

    联系方式
    您的位置:首页 > 振动筛分设备 > 1200型碳钢振动筛
    1200型碳钢振动筛

    1200型碳钢振动筛

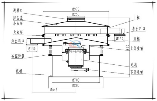
    直径1200mm型振动筛为四层五出口碳钢材质因此也叫多层,网架结构为子母网分离式,整机喷漆。

    全国统一销售热线0373-268 2333

    免费获取报价

    产品介绍
    产品概述 

    1200型振动筛

    1200型振动筛(碳钢)是直径1200mm型振动筛为四层五出口碳钢材质,网架结构为子母网分离式,整机喷漆。


    1200型振动筛细节


    12000型振动筛

    ☆ 效率高、设计精巧耐用,粉类、粘液均可筛分。

    ☆ 换网容易、操作简单、清洗方便。

    ☆ 网孔不堵塞、粉末不飞扬、可筛至400目或0.028mm。

    ☆ 杂质、粗料自动排出,可以连续作业。


    1200型振动筛原理


    振动筛用与原理:基本原理由直立式振动电机作为激振源,电机上、下两端安装有偏心重锤,将电机的旋转运动转变为水平、垂直、倾斜的三次元运动,再把这个运动传递给筛面。调节上、下两端的相位角,可以改变物料在筛面上的运动轨迹。


    1200型振动筛外形结构

    型 号

    DH-600

    DH-800

    DH-1000

    DH-1200

    DH-1500

    DH-1800

    DH-2000

    直径mm

    Φ600

    Φ800

    Φ1000

    Φ1200

    Φ1500

    Φ1800

    Φ2000

    筛网面积m

    0.24

    0.45

    0.67

    1.0

    1.6

    2.43

    3.01

    筛网规格(目)

    2-500

    进料粒度mm

    <Φ10

    <Φ15

    <Φ20

    <Φ30

    振次rpm

    1500

    1500

    1500

    1500

    1500

    1500

    1500

    有效筛面直mm

    Φ560

    Φ760

    Φ930

    Φ1130

    Φ1430

    Φ1760

    Φ1960

    层数

    1-5

    功率Kw

    0.25

    0.55

    0.75

    1.1

    1.5

    2.2

    3


    振动筛适用行业

    化工行业:树脂、涂料、工业药品、化妆品、油漆、中药粉等。

    食品行业:糖粉、淀粉、食盐、米粉、奶粉、豆浆、蛋粉、酱油、果汁等。

    金属、冶金矿业:铝粉、铅粉、铜粉、矿石、合金粉、焊条粉末、二氧化锰、电解铜粉、电磁性材料、研磨粉、耐火材料、高岭土、石灰、氧化铝、重质碳酸钙、石英砂等。

    公害处理:废油、废水、染整废水、助剂、活性碳等。


    DH系列振动筛发货图



    --------------------------------- 售后服务 --------------------------------

    1.保修期内非因操作不当造成需要更换的零配件及设备由我厂负责包修、包换。

    2.质量保证期结束后,我厂将继续免费提供售后服务,不限年份终身服务,仅收取零部件成本费,免收人工费,免收维修费。

    --------------------------------- 服务承诺 --------------------------------

    为了向您提供完善的售后服务,请将您的宝贵意见、建议及要求反馈给我厂。我们感谢贵单位使用我厂的产品,我厂建立有完整的营销网络及完善的售后服务体系,售后服务部已将您购买的产品建立了信息档案。如果您购买的产品出现质量问题,我们将及时为您提供全方位的服务。


    相关产品
    相关知识
    筛分设备
    联系我们

    电话:0373-2682333

    厂址:新乡市延津县森林公园大门西1000米路北

    在线咨询

    直线振动筛 超声波振动筛 旋振筛 气流筛 摇摆筛 直排筛 过滤筛